Shuft EHR 600x350-30
Артикул товара: 10538


Shuft EHR 600x350-30 — это модель серии EHR электрические нагреватели для прямоугольных каналов. "ИНТЕХ-Климат" осуществляет поставку, монтаж и сервисное обслуживание оборудования Shuft как для частных лиц, так и для организаций в Москве и Московской области.
В соответствии с договорами дилерского сотрудничества мы несем все гарантийные обязательства с момента продажи Вам оборудования Shuft. Для получения консультаций или по каким-либо другим вопросам, звоните по телефону +7(495) 146-65-64.
В наличии. Гарантия — 5 лет. Доставка по Москве.
Характеристики
| Мощность, кВт | 30 |
| Напряжение, В | 400 |
| Количество фаз | 3 |
| Ступени нагрева, кВт | 15+7,5+7,5 |
| Мощность ТЭНа, кВт | 2.5 |
| H, мм | 80 |
| W, мм | 350 |
| L, мм | 600 |
| Вес, кг | 370 |
Таблица характеристик всей серии EHR электрические нагреватели для прямоугольных каналов
Документация
Описание
Преимущества
- Корпус изготовлен из оцинкованной стали.
- Фланцевое подсоединение.
- ТЭНы изготовлены из высококачественной нержавеющей стали
- Защитный термостат с ручным перезапуском (температура отключения 120°С).
- Защитный термостат с автоматическим перезапуском (температура отключения 60°С)
- Электропитание 400 В, 50 Гц, 3 ф.
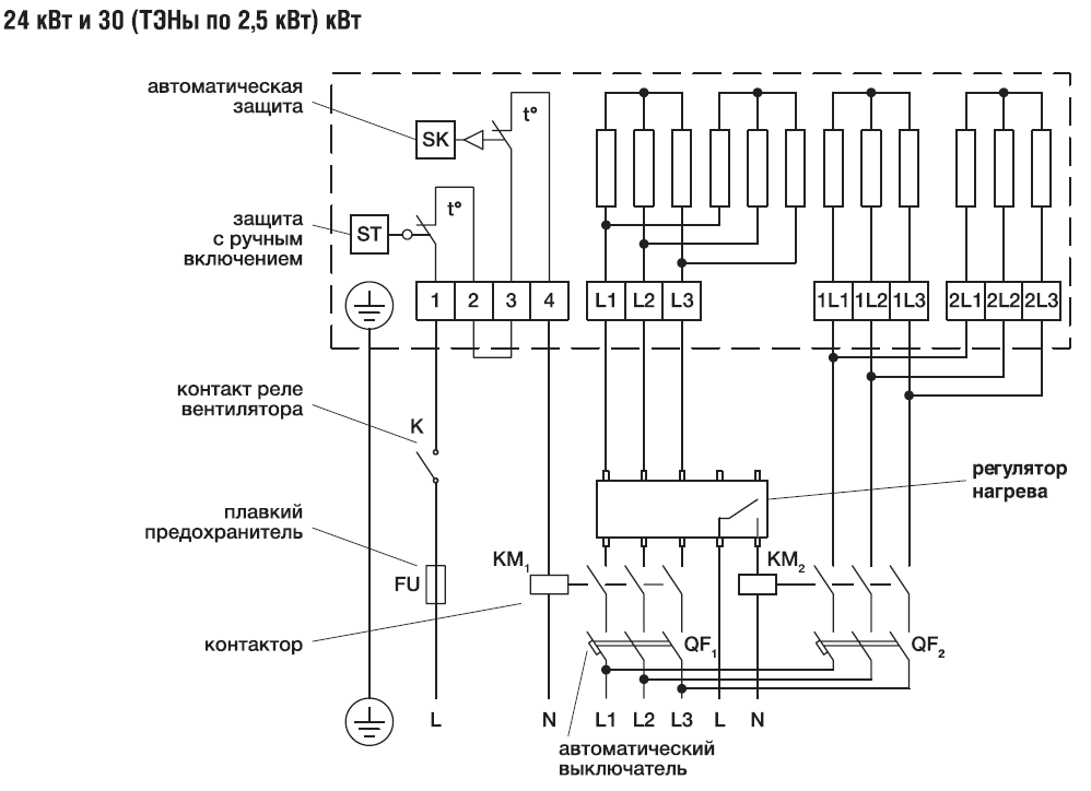
Монтаж: Нагреватели должны устанавливаться таким образом, чтобы воздушный поток был направлен согласно стрелке на корпусе. Воздухонагреватели устанавливаются внутри помещения.Возможна установка как в горизонтальных, так и в вертикальных каналах. При горизонтальной установке не допускается установка электрошкафом вверх или вниз. Расстояние от нагревателя до заслонки, фильтра, отвода и других подобных элементов должно быть не менее двух эквивалентных диаметров присоединительного патрубка.Скорость воздуха в воздухонагревателе должна быть не менее 1,5 м/с. Максимальная температура воздуха на выходе составляет 40°С..
Подключение электропитания: Электропитание на нагреватель должно быть подано после включения вентилятора при достаточном потоке воздуха.Кабель электропитания должен соответствовать мощности воздухонагревателя. Автоматический выключатель также должен соответствовать мощности и номинальному потребляемому току. Внешнее реле защиты должно быть с автоматическим возвратом в исходное положение. Корпус воздухонагревателя должен быть заземлен.
Сертификат: Декларация соответствия ТР ТС.
Оплата
Наличными при получении заказа
Заказ можно оплатить наличными при доставке или получении в пункте самовывоза. Банковским переводом от ФЛ.
Оплатить заказ можно в любом банке по счету, выставленному на Ваше имя. Запросите счет у менеджера, распечатайте его, произведите оплату в течении трех рабочих дней и ожидайте доставку.
Банковской картой
Оплатить заказ банковской картой можно:
- через платежный терминал курьера
- через стационарный терминал в пунктах самовывоза
- через форму на сайте
Никакие комиссии с плательщика не взимаются.
Яндекс деньгами, WebMoney
Заказ можно оплатить электронными деньгами. Для этого Вам необходимо оформить заказ у менеджера, затем ввести номер выставленного вам счета и фамилию плательщика в форме оплаты. После нажатия кнопки Оплатить, Вы будете переадресованы на свой кошелек, где автоматически заполнится назначение платежа и сумма.
Кредит и рассрочка
В кредит или рассрочку можно купить любой товар дороже 10000 рублей. Для оформления вам необходимо нажать кнопку "Кредит в кредит" в карточке выбранного товара. Далее заполнить несколько обязательных полей и оформить заявку.
Безналичным платежом от ЮЛ
Оплатить заказ можно от ЮЛ по выставленному счету либо договору. Все товары и услуги реализуются с НДС. При отгрузке необходимо иметь доверенность или печать получателя.
Доставка
Часы работы службы доставки: Рабочие дни с 9 до 21 часов, в субботу с 10 до 19 часов
Стоимость доставки: По Москве в пределах МКАД - 2000 руб. Доставка за пределы МКАД оплачивается дополнительно из расчета 40 руб за 1 км. На кондиционеры с монтажом действуют особые условия доставки.
Сроки доставки: Возможна доставка в день заказа!
Доставка по Росиии: При заказе из любого населенного пункта России, на следующий день после заказа, приобретенный Вами товар бесплатно будет доставлен до терминала транспортной компании в Москве. Мы работаем со всеми крупными транспортными компаниями, поэтому Вы можете выбрать любую из них исходя из своих предпочтений, или наш менеджер поможет подобрать наиболее выгодный вариант доставки. При отправке оборудования через транспортные компании, все оборудование проходит дополнительную проверку по качеству и комплектности, для исключения малейшей вероятности возврата. Доставка по России осуществляется только после полной оплаты заказа.
Модификации серии Shuft EHR электрические нагреватели для прямоугольных каналов
| EHR 400x200-6 | Узнать цену | |
| EHR 400x200-9 | Узнать цену | |
| EHR 400x200-12 | Узнать цену | |
| EHR 400x200-15 | Узнать цену | |
| EHR 500x250-12 | Узнать цену | |
| EHR 500x250-15 | Узнать цену | |
| EHR 500x250-22,5 | Узнать цену | |
| EHR 500x300-12 | Узнать цену | |
| EHR 500x300-15 | Узнать цену | |
| EHR 500x300-22,5 | Узнать цену |
Смотреть все модели Shuft серии "EHR электрические нагреватели для прямоугольных каналов"
...
О производителе Shuft

Оборудование SHUFT установлено и безупречно работает на многих ключевых объектах в различных регионах России. Ассортимент продукции позволяет решить широкий спектр задач: от создания простой системы вентиляции небольшого помещения до комплектации вентиляционной системы крупного комплекса. Среди объектов ‒ здания различной конструкции, площади и назначения. В их числе ‒ уникальные проекты и объекты с высоким уровнем технических требований, такие как государственные и медицинские учреждения.
Продукция SHUFT представлена в России уже много лет. За это время оборудование завоевало доверие профессионалов и зарекомендовало себя, как надежное и энергоэффективное.
Представляемый ассортимент позволяет решить различные задачи – от создания простой системы вентиляции небольшого помещения до комплектации вентиляционной системы целого здания.
Не останавливаясь на достигнутом, SHUFT каждый год внедряет в производство и предлагает Партнерам и Заказчикам новые технические решения и новую продукцию.
Большое внимание уделяется энергоэффективным решениям в области вентиляции.
Нажимая на кнопку, вы соглашаетесь на обработку персональных данных

