«Завод ВЕНТИЛЯТОР» Дымосос Д 13,5
Артикул товара: 33413




«Завод ВЕНТИЛЯТОР» Дымосос Д 13,5 — это модель серии Дымососы Д. "ИНТЕХ-Климат" осуществляет поставку, монтаж и сервисное обслуживание оборудования «Завод ВЕНТИЛЯТОР» как для частных лиц, так и для организаций в Москве и Московской области.
В соответствии с договорами дилерского сотрудничества мы несем все гарантийные обязательства с момента продажи Вам оборудования «Завод ВЕНТИЛЯТОР». Для получения консультаций или по каким-либо другим вопросам, звоните по телефону +7(495) 146-65-64.
576 740 руб.
В наличии. Доставка по Москве.
Документация
Описание
Дымосос Д №13,5 для котлов изготавливается по 3-ей конструктивной схеме (рабочее колесо соединяется с электродвигателем при помощи соединительной муфты) исполнения. Полное давление 3150 Па, производительность по воздуху 95000 м3/ч, по исполнению Д-13,5 делятся на правые и левые (по направлению вращения рабочего колеса, если смотреть со стороны электропривода). Котельный дымосос Д №13,5 одностороннего всасывания предназначен для обеспечения стабильной подачи приточного воздуха к топочным камерам котлов с уравновешенной тягой, в газомазутных котельных установках дымососы могут работать не только на вдув, но и на утилизацию дыма с максимально допустимой температурой рабочей среды до +200°С.
Технические характеристики Дымососы Д №13,5 , исполнение 3
| Характеристики электродвигателя | Характеристики ТДМ | ||||||||
| Температура перемещаемой среды, °С | Скорость вращения, об/мин. | Номинальная мощность, кВт | Номинальный ток при 380В (50 Гц), А | Тип электродвигателя * | Производительность Q min, тыс. м3/ч | Производительность Q max, тыс. м3/ч | Полное даление Pv min, Па | Полное давление Pv maх, Па | Масса вентилятора, кг |
| 200 | 600 | 30 | 65 | 250М10 | 13 | 41 | 680 | 790 | 2100 |
| 750 | 75 | 150 | 280М8 | 23 | 67 | 1570 | 1780 | 2210 | |
| 1 000 | 160 | 292 | 355S6 | 27 | 95 | 2690 | 3150 | 3220 | |
Аэродинамические характеристики Д №13,5, Исполнение 3
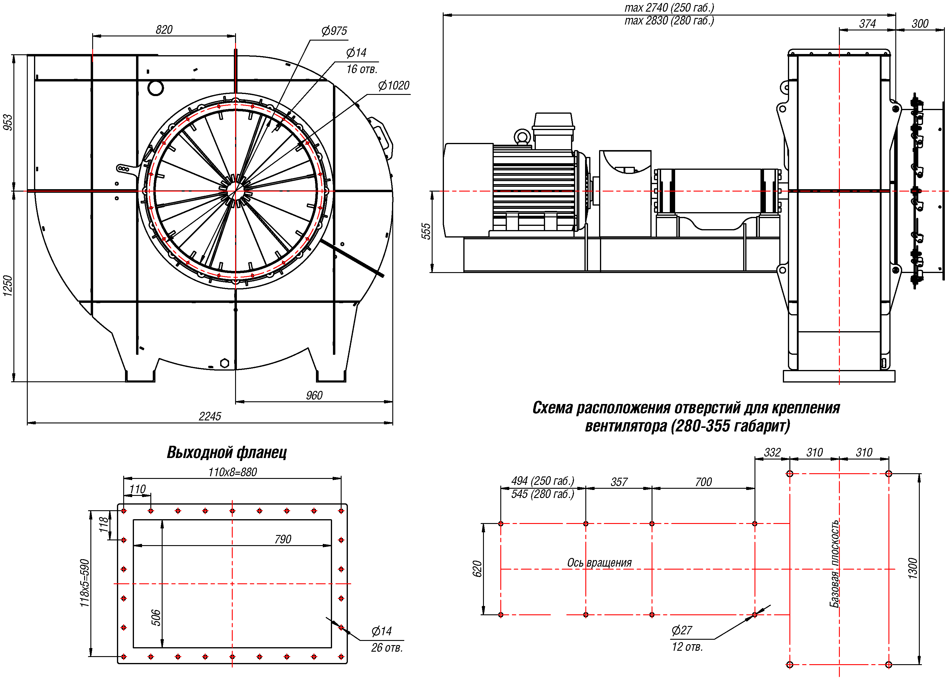
Габаритные и присоединительные размеры Д №13,5, Исполнение 3
Габаритные и присоединительные размеры Д №13,5, Исполнение 3, зависящие от положения корпуса
| ПР0°/Л0° | ПР45°/Л45° | ПР90°/Л90° | |||||||||
| B, мм | B1, мм | H1, мм | H2, мм | B, мм | B1, мм | H1, мм | H2, мм | B, мм | B1, мм | H1, мм | H2, мм |
| по запросу | по запросу | по запросу | |||||||||
| ПР135°/Л135° | ПР270°/Л270° | ПР315°/Л315° | |||||||||
| B, мм | B1, мм | H1, мм | H2, мм | B, мм | B1, мм | H1, мм | H2, мм | B, мм | B1, мм | H1, мм | H2, мм |
| по запросу | по запросу | по запросу | |||||||||
Акустические характеристики Д №13,5, Исполнение 3
| Значение Lpi в октавных полосах f, Гц | ||||||||
| Частота вращения, об/мин | 125 | 250 | 500 | 1000 | 2000 | 4000 | 8000 | Lpa, дБА |
| 600 | 93 | 95 | 97 | 96 | 96 | 93 | 90 | 101 |
| 750 | 97 | 98 | 101 | 99 | 100 | 96 | 94 | 105 |
| 1000 | 104 | 105 | 107 | 106 | 106 | 103 | 102 | 111 |
Особенности
Дымососы для котлов Д
Котельные дымососы Д применяются для подачи свежего воздуха к топкам котельного оборудования. Такими вентагрегатами комплектуются котельные установки с производительностью 25 тонн пара в час и выше, а также газомазутные котлы производительностью 0,5…16 Гкал. Возможна эксплуатация дымососов Д в прочих промышленных установках, где техпроцессом предусматривается подача значительных объемов воздуха (если условия эксплуатации не противоречат требованиям производителя).
Допускается эксплуатация дымососов Д в составе газомазутных котлов для удаления дыма и газов от топливных камер, при этом предельная температура рабочей среды составляет +200°С.
Дымососы для котлов Д имеют моноблочную конструкцию, отгрузка оборудования производится в полностью собранном виде в упаковке завода-изготовителя.
Основными конструктивными элементами котельных дымососов Д являются коробчатый корпус в виде «улитки», радиальное колесо и привод.
Корпус изготавливается из тонколистового металла. Подключение дымососа Д к воздуховодам может осуществляться напрямую или через гибкие вставки. На внешних поверхностях корпуса имеются ребра жесткости для придания ему дополнительной устойчивости. Корпус-«улитка» выполнен поворотным, что позволяет его расположить при монтаже в максимально удобном положении относительно выходного воздуховода.
Внутри корпуса смонтировано рабочее колесо с 32-мя загнутыми в сторону вращения лопатками. Крыльчатка посредством осевой втулки напрессовывается на ротор электродвигателя, который смонтирован на металлической подставке.
В качестве защитного покрытия дымососов Д применяются износостойкие лакокрасочные материалы.
Котельные дымососы Д условия эксплуатации
Дымососы для котлов Д рассчитаны на установку и работу в крытых отапливаемых и неотапливаемых помещениях (кат. разм. 3 и 2) при температуре окружающей среды -30°С…+40°С. Если температура корпуса-«улитки» ниже -30°С, то запускать его в работу не рекомендуется.
Допускается эксплуатация дымососов Д на открытом воздухе (кат. разм. 1), если электрические части защищены от атмосферных осадков и прямых солнечных лучей.
Котельные дымососы Д выпускаются в 6-ти типовых размерах. В зависимости от назначения и условий эксплуатации у нас можно купить дымососы Д в общепромышленном исполнении или коррозионностойком.
Оплата
Наличными при получении заказа
Заказ можно оплатить наличными при доставке или получении в пункте самовывоза. Банковским переводом от ФЛ.
Оплатить заказ можно в любом банке по счету, выставленному на Ваше имя. Запросите счет у менеджера, распечатайте его, произведите оплату в течении трех рабочих дней и ожидайте доставку.
Банковской картой
Оплатить заказ банковской картой можно:
- через платежный терминал курьера
- через стационарный терминал в пунктах самовывоза
- через форму на сайте
Никакие комиссии с плательщика не взимаются.
Яндекс деньгами, WebMoney
Заказ можно оплатить электронными деньгами. Для этого Вам необходимо оформить заказ у менеджера, затем ввести номер выставленного вам счета и фамилию плательщика в форме оплаты. После нажатия кнопки Оплатить, Вы будете переадресованы на свой кошелек, где автоматически заполнится назначение платежа и сумма.
Кредит и рассрочка
В кредит или рассрочку можно купить любой товар дороже 10000 рублей. Для оформления вам необходимо нажать кнопку "Кредит в кредит" в карточке выбранного товара. Далее заполнить несколько обязательных полей и оформить заявку.
Безналичным платежом от ЮЛ
Оплатить заказ можно от ЮЛ по выставленному счету либо договору. Все товары и услуги реализуются с НДС. При отгрузке необходимо иметь доверенность или печать получателя.
Доставка
Часы работы службы доставки: Рабочие дни с 9 до 21 часов, в субботу с 10 до 19 часов
Стоимость доставки: По Москве в пределах МКАД - 2000 руб. Доставка за пределы МКАД оплачивается дополнительно из расчета 40 руб за 1 км. На кондиционеры с монтажом действуют особые условия доставки.
Сроки доставки: Возможна доставка в день заказа!
Доставка по Росиии: При заказе из любого населенного пункта России, на следующий день после заказа, приобретенный Вами товар бесплатно будет доставлен до терминала транспортной компании в Москве. Мы работаем со всеми крупными транспортными компаниями, поэтому Вы можете выбрать любую из них исходя из своих предпочтений, или наш менеджер поможет подобрать наиболее выгодный вариант доставки. При отправке оборудования через транспортные компании, все оборудование проходит дополнительную проверку по качеству и комплектности, для исключения малейшей вероятности возврата. Доставка по России осуществляется только после полной оплаты заказа.
Модификации серии «Завод ВЕНТИЛЯТОР» Дымососы Д
| Дымосос Д 3,5 | 33 700 руб. | |
| Дымосос Д 12,0 | 205 910 руб. | |
| Дымосос Д 13,5 | 576 740 руб. | |
| Дымосос Д 15,5 | 688 020 руб. | |
| Дымосос Д 18,0 | 1 237 750 руб. | |
| Дымосос Д 20,0 | 1 233 460 руб. |
Нажимая на кнопку, вы соглашаетесь на обработку персональных данных

