Shuft IEF 450
Артикул товара: 10476


Shuft IEF 450 — это модель серии IEF вытяжные кухонные вентиляторы. "ИНТЕХ-Климат" осуществляет поставку, монтаж и сервисное обслуживание оборудования Shuft как для частных лиц, так и для организаций в Москве и Московской области.
В соответствии с договорами дилерского сотрудничества мы несем все гарантийные обязательства с момента продажи Вам оборудования Shuft. Для получения консультаций или по каким-либо другим вопросам, звоните по телефону +7(495) 146-65-64.
99 350 руб.
В наличии. Гарантия — 5 лет. Доставка по Москве.
Характеристики
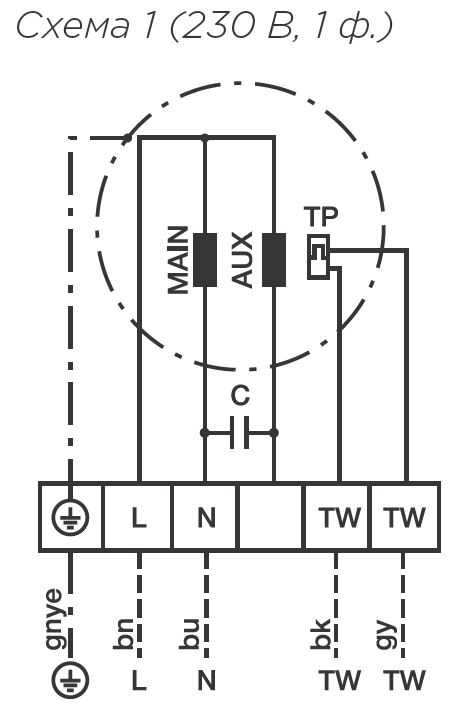
| Напряжение, В | 230 |
| Электропотребление, кВт | 0,793 |
| Рабочий ток, А | 4,5 |
| Частота вращения, об./мин | 1350 |
| Уровень шума (1м),, дБ(А) | 76/79/70 |
| Макс. температура перемещаемого воздуха, °С | -25…+65* |
| Макс. расход воздуха, м3/ч | 5960 |
| Макс. напор, Па | 640 |
| H, мм | 700 |
| L, мм | 700 |
| W, мм | 700 |
| Вес, кг | 115 |
Таблица характеристик всей серии IEF вытяжные кухонные вентиляторы
Документация
Описание
Предназначены для удаления воздуха с повышенным содержанием влаги и жира, например, из кухонь.
Преимущества:
- Изменяемая конфигурация выброса воздуха.
- Корпус изготовлен из листовой оцинкованной стали с теплоизоляцией 30 мм.
- Корпус имеет специальную форму поддона, чтобы собирать небольшие количества конденсата или жира.
- Высокоэффективная крыльчатка с назад загнутыми лопатками
- Высококачественные двигатели расположены вне воздушного потока.
- Высококачественные шариковые подшипники, не требующие обслуживания.
- Регулирование скорости 0–100% путем изменения напряжения (тиристорные и автотрансформаторные регуляторы).
- Встроенные термоконтакты или термореле.
Монтаж: Вентиляторы поставляются готовыми к подключению. Могут устанавливаться в любом положении, в соответствии с направлением потока воздуха (в соответствии со стрелкой на корпусе вентилятора). Необходимо предусматривать доступ для обслуживания вентилятора.
Подключение электропитания: На корпусе вентиляторов находится клеммная коробка для подключения к электрической сети. Необходимо, чтобы подключение вентиляторов выполнял только квалифицированный персонал и в соответствии со схемой подключения.
Уход: Вентиляторы не требуют специального технического ухода. Единственное требование — чистка крыльчатки.
Сертификат: Декларация о соответствии ТР ТС.
Оплата
Наличными при получении заказа
Заказ можно оплатить наличными при доставке или получении в пункте самовывоза. Банковским переводом от ФЛ.
Оплатить заказ можно в любом банке по счету, выставленному на Ваше имя. Запросите счет у менеджера, распечатайте его, произведите оплату в течении трех рабочих дней и ожидайте доставку.
Банковской картой
Оплатить заказ банковской картой можно:
- через платежный терминал курьера
- через стационарный терминал в пунктах самовывоза
- через форму на сайте
Никакие комиссии с плательщика не взимаются.
Яндекс деньгами, WebMoney
Заказ можно оплатить электронными деньгами. Для этого Вам необходимо оформить заказ у менеджера, затем ввести номер выставленного вам счета и фамилию плательщика в форме оплаты. После нажатия кнопки Оплатить, Вы будете переадресованы на свой кошелек, где автоматически заполнится назначение платежа и сумма.
Кредит и рассрочка
В кредит или рассрочку можно купить любой товар дороже 10000 рублей. Для оформления вам необходимо нажать кнопку "Кредит в кредит" в карточке выбранного товара. Далее заполнить несколько обязательных полей и оформить заявку.
Безналичным платежом от ЮЛ
Оплатить заказ можно от ЮЛ по выставленному счету либо договору. Все товары и услуги реализуются с НДС. При отгрузке необходимо иметь доверенность или печать получателя.
Доставка
Часы работы службы доставки: Рабочие дни с 9 до 21 часов, в субботу с 10 до 19 часов
Стоимость доставки: По Москве в пределах МКАД - 2000 руб. Доставка за пределы МКАД оплачивается дополнительно из расчета 40 руб за 1 км. На кондиционеры с монтажом действуют особые условия доставки.
Сроки доставки: Возможна доставка в день заказа!
Доставка по Росиии: При заказе из любого населенного пункта России, на следующий день после заказа, приобретенный Вами товар бесплатно будет доставлен до терминала транспортной компании в Москве. Мы работаем со всеми крупными транспортными компаниями, поэтому Вы можете выбрать любую из них исходя из своих предпочтений, или наш менеджер поможет подобрать наиболее выгодный вариант доставки. При отправке оборудования через транспортные компании, все оборудование проходит дополнительную проверку по качеству и комплектности, для исключения малейшей вероятности возврата. Доставка по России осуществляется только после полной оплаты заказа.
Модификации серии Shuft IEF вытяжные кухонные вентиляторы
| IEF 225 | 61 870 руб. | |
| IEF 250 | 71 390 руб. | |
| IEF 280 | 74 370 руб. | |
| IEF 315 | 80 900 руб. | |
| IEF 400 | 86 850 руб. | |
| IEF 450 | 99 350 руб. | |
| IEF 500 | 117 780 руб. | |
| IEF 560 | 151 690 руб. | |
| IEF 630 | 192 140 руб. |
О производителе Shuft

Оборудование SHUFT установлено и безупречно работает на многих ключевых объектах в различных регионах России. Ассортимент продукции позволяет решить широкий спектр задач: от создания простой системы вентиляции небольшого помещения до комплектации вентиляционной системы крупного комплекса. Среди объектов ‒ здания различной конструкции, площади и назначения. В их числе ‒ уникальные проекты и объекты с высоким уровнем технических требований, такие как государственные и медицинские учреждения.
Продукция SHUFT представлена в России уже много лет. За это время оборудование завоевало доверие профессионалов и зарекомендовало себя, как надежное и энергоэффективное.
Представляемый ассортимент позволяет решить различные задачи – от создания простой системы вентиляции небольшого помещения до комплектации вентиляционной системы целого здания.
Не останавливаясь на достигнутом, SHUFT каждый год внедряет в производство и предлагает Партнерам и Заказчикам новые технические решения и новую продукцию.
Большое внимание уделяется энергоэффективным решениям в области вентиляции.
Нажимая на кнопку, вы соглашаетесь на обработку персональных данных

